Устройство переходное УП для перехода с резьбы М20×1,5 на другие резьбы

SKU: ustrojstva_perehodnie_owen_up Categories: ,

12 240.00

вы можете переключить валюту
Цены и заказ Задать вопрос

Положите товар в корзину для оформления заказа

  • Для заказа вы можете позвонить на номер: +7 (717) 276-05-86
  • Воспользуйтесь Email почтой для заказа: info@owen-asia.com
  • Если у вас возникают вопросы воспользуйтесь кнопкой выше
Гарантированная безопасное оформление заказа

Устройства переходные (переходники) предназначены для подсоединения преобразователей давления со стандартным штуцером М20х1,5 к технологическому оборудованию, имеющему нестандартные резьбовые порты.

Преимущества

  • Возможность использовать стандартные преобразователи давления и импульсные линии
  • Не влияют на точность измерений
  • Являются съемными для очистки от засорения

Технические характеристики

Рабочая среда жидкость, пар, газ
Давление рабочей среды до 40 МПа
Температура рабочей среды –40…+350 °С
Предельные значения температур окружающего воздуха при эксплуатации –40…+85°С
Присоединение к технологической линии резьбовое соединение или сварка
Присоединение к преобразователю резьбовое соединение М20×1,5 или фланцевый монтаж 
Материал нержавеющая сталь AISI 304

Габаритные размеры

 

Модель 

Размеры, мм

L

L1

D

d

Конструктивные исполнения ОВЕН УП-1

УП-1

36

14

G 1/2”

УП-2

34

12

G 1/4”

УП-3

36

14

G 3/4”

УП-4

34

12

G 3/8”

УП-7

34

12

G 1/8”

Конструктивные исполнения ОВЕН УП-5

УП-5

37

12

М12×1,5

5

УП-6

35

10

М10×1

3

УП-8

37

12

М12×1

5

Конструктивные исполнения ОВЕН УП-9

УП-9

47

22,5

G 1/2”

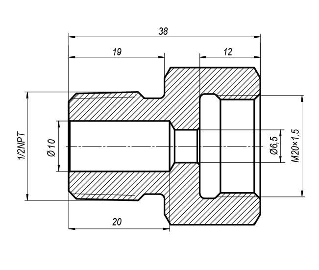
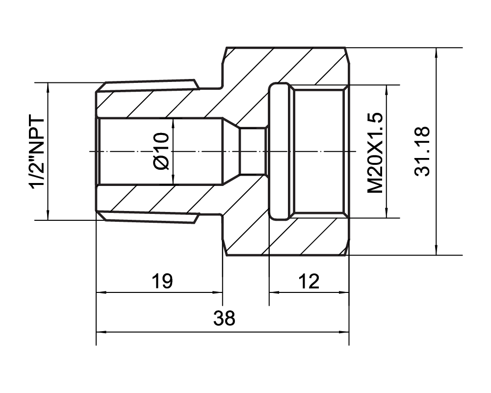
Конструктивные исполнения ОВЕН УП-10

УП-10

Конструктивные исполнения ОВЕН УП-11

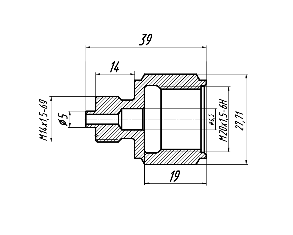
УП-11

39

17

М14×1,5

5

Конструктивные исполнения ОВЕН УП-12

УП-12

Конструктивные исполнения ОВЕН УП-13

УП-13

41

19

М16×1,5

5

Конструктивные исполнения ОВЕН УП-14

УП-14

М20×1,5

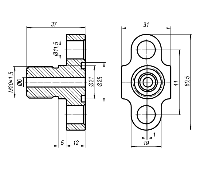
Конструктивные исполнения ОВЕН УП-15

УП-15

NPT1/2

Конструктивные исполнения ОВЕН УП-16 УП-16     NPT1/4  

Мы предоставляем разнообразные модификации продукции. Воспользуйтесь поиском по артикулу и названию конкретной модификации.

Обновлено: 14 февраля, 2025г., в 09:26

УП-1

Устройство переходное УП-1

Артикул: 37604
Гарантийний срок: 24
Срок поставки: 20 раб. дней (актуально на 13.02.2025)
Кратность: 1
Группа товаров: УД, УП
5 760.00₸

Обновлено: 14 февраля, 2025г., в 09:26

УП-10

Устройство переходное УП-10

Артикул: 48079
Гарантийний срок: 24
Срок поставки: 20 раб. дней (актуально на 13.02.2025)
Кратность: 1
Группа товаров: УД, УП
7 668.00₸

Обновлено: 14 февраля, 2025г., в 09:26

УП-11

Устройство переходное УП-11

Артикул: 66654
Гарантийний срок: 24
Срок поставки: 20 раб. дней (актуально на 13.02.2025)
Кратность: 1
Группа товаров: УД, УП
12 240.00₸

Обновлено: 14 февраля, 2025г., в 09:26

УП-12

Устройство переходное УП-12

Артикул: 62741
Гарантийний срок: 24
Срок поставки: 20 раб. дней (актуально на 13.02.2025)
Кратность: 1
Группа товаров: УД, УП
5 760.00₸

Обновлено: 14 февраля, 2025г., в 09:26

УП-13

Устройство переходное УП-13

Артикул: 74411
Гарантийний срок: 24
Срок поставки: 20 раб. дней (актуально на 13.02.2025)
Кратность: 1
Группа товаров: УД, УП
12 240.00₸

Обновлено: 14 февраля, 2025г., в 09:26

УП-14

Устройство переходное УП-14

Артикул: 74412
Гарантийний срок: 24
Срок поставки: 20 раб. дней (актуально на 13.02.2025)
Кратность: 1
Группа товаров: УД, УП
7 920.00₸

Обновлено: 14 февраля, 2025г., в 09:26

УП-15

Устройство переходное УП-15

Артикул: 74413
Гарантийний срок: 24
Срок поставки: 20 раб. дней (актуально на 13.02.2025)
Кратность: 1
Группа товаров: УД, УП
9 360.00₸

Обновлено: 14 февраля, 2025г., в 09:26

УП-16

Устройство переходное УП-16

Артикул: 85743
Гарантийний срок: 24
Срок поставки: 20 раб. дней (актуально на 13.02.2025)
Кратность: 1
Группа товаров: УД, УП
9 360.00₸

Обновлено: 14 февраля, 2025г., в 09:26

УП-2

Устройство переходное УП-2

Артикул: 37605
Гарантийний срок: 24
Срок поставки: 20 раб. дней (актуально на 13.02.2025)
Кратность: 1
Группа товаров: УД, УП
9 360.00₸

Обновлено: 14 февраля, 2025г., в 09:26

УП-3

Устройство переходное УП-3

Артикул: 37606
Гарантийний срок: 24
Срок поставки: 20 раб. дней (актуально на 13.02.2025)
Кратность: 1
Группа товаров: УД, УП
12 240.00₸

Обновлено: 14 февраля, 2025г., в 09:26

УП-4

Устройство переходное УП-4

Артикул: 37607
Гарантийний срок: 24
Срок поставки: 20 раб. дней (актуально на 13.02.2025)
Кратность: 1
Группа товаров: УД, УП
17 208.00₸

Обновлено: 14 февраля, 2025г., в 09:26

УП-5

Устройство переходное УП-5

Артикул: 37608
Гарантийний срок: 24
Срок поставки: 20 раб. дней (актуально на 13.02.2025)
Кратность: 1
Группа товаров: УД, УП
17 064.00₸

Обновлено: 14 февраля, 2025г., в 09:26

УП-6

Устройство переходное УП-6

Артикул: 40783
Гарантийний срок: 24
Срок поставки: 20 раб. дней (актуально на 13.02.2025)
Кратность: 1
Группа товаров: УД, УП
18 504.00₸

Обновлено: 14 февраля, 2025г., в 09:26

УП-7

Устройство переходное УП-7

Артикул: 50142
Гарантийний срок: 24
Срок поставки: 20 раб. дней (актуально на 13.02.2025)
Кратность: 1
Группа товаров: УД, УП
11 880.00₸

Обновлено: 14 февраля, 2025г., в 09:26

УП-8

Устройство переходное УП-8

Артикул: 56180
Гарантийний срок: 24
Срок поставки: 20 раб. дней (актуально на 13.02.2025)
Кратность: 1
Группа товаров: УД, УП
16 488.00₸

Обновлено: 14 февраля, 2025г., в 09:26

УП-9

Устройство переходное УП-9

Артикул: 66653
Гарантийний срок: 24
Срок поставки: 20 раб. дней (актуально на 13.02.2025)
Кратность: 1
Группа товаров: УД, УП
9 360.00₸

Reviews

There are no reviews yet.

Be the first to review “Устройство переходное УП для перехода с резьбы М20×1,5 на другие резьбы”

Ваш адрес email не будет опубликован. Обязательные поля помечены *

Бесплатная консультация

Вы можете связаться с нами посредству обратного звонка. Просто заполните несложные поля в форме и наши менеджеры свяжутся с вами в ближайшее время.

Выберите ваш город:

A
  • Абай
  • Акколь
  • Аксай
  • Аксу
  • Аксуат
  • Актау
  • Актобе
  • Алматы
  • Аральск
  • Аркалык
  • Арысь
  • Астана
  • Атбасар
  • Атырау
Б
  • Байконыр
  • Балхаш
  • Булаево
  • Байганин
  • Байжансай
  • Байкадам
  • Байконур
  • Байчунас
  • Баканас
  • Балкашино
  • Балкащино
  • Балыкши
  • Баршатас
  • Батамшинский
Д
  • Дарьинский
  • Державинск
  • Джалагаш
  • Джамбул
  • Джансугуров
  • Джезды
  • Джезказган
  • Джетыгара
  • Джетысай
  • Джусалы
  • Доссор
Е
  • Есик
  • Есиль
  • Егиндыбулак
  • Ермак
  • Ерментау
Ж
  • Жанаозен
  • Жанатас
  • Жаркент
  • Жезказган
  • Жем
  • Жетысай
  • Житикара
  • Жолымбет
  • Жосалы
  • Жузалы
З
  • Зайсан
  • Зыряновск
  • Зайсан
  • Зыряновск
  • Затобольск
И
  • Иргели
  • Исатай
  • Иргиз
  • Индерборский
  • Иртышск
  • Искининский
  • Иссык
К
  • Казалинск
  • Кайракты
  • Кандыагаш
  • Капчагай
  • Караганда
  • Каражал
  • Каркаралинск
  • Каскелен
  • Кентау
  • Кокшетау
  • Костанай
  • Кульсары
  • Курчатов
  • Кызылорда
Л
  • Ленгер
  • Лисаковск
  • Лебяжье
  • Ленинградское
  • Лениногорск
  • Ленинское
  • Луговое
М
  • Макинск
  • Мамлютка
  • Мендыкара
  • Мерке
  • Михайловка
  • Мойынкум
Н
  • Нур-Султан
  • Нарынкол
  • Никольский
  • Новая Шульба
  • Новоалексеевка
  • Новоказалинск
  • Новотроицкое
  • Новый Узень
П
  • Павлодар
  • Петропавловск
  • Приозёрск
Р
  • Риддер
  • Рудный
  • Рузаевка
С
  • Сарань
  • Сарканд
  • Сарыагаш
  • Сатпаев
  • Семей
  • Сергеевка
  • Степногорск
Т
  • Талгар
  • Талдыкорган
  • Тараз
  • Текели
  • Темир
  • Темиртау
  • Тобыл
У
  • Уральск
  • Ушарал
  • Уштобе
Ф
  • Форт-Шевченко
Х
  • Хромтау
Ш
  • Шалкар
  • Шардара
  • Шахтинск
  • Шемонаиха
  • Шу
  • Шымкент
Э
  • Экибастуз
  • Эмба
  • Энергетик
Ю
  • Юрюзань
Я
  • Яныкурган
  • Ясный