Автоматизация модульной котельной на контроллере КТР-121
В 2023 году в городе Слободзее Приднестровья была запущена в эксплуатацию новая модульная котельная, обеспечивающая теплоснабжение больницы, районных электрических сетей, пожарной части и жилых домов. Предыдущая котельная, работавшая с 1986 года, исчерпала свой ресурс. Значимость этого объекта подтверждается присутствием президента Приднестровской Молдавской Республики на церемонии открытия.
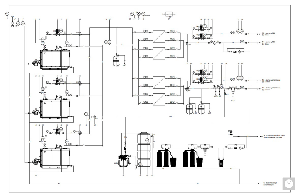
Новая котельная состоит из трех котловых контуров, которые подключены к общему коллектору, а также двух контуров для потребителей (отопление и ГВС). Общая мощность котельной составляет 1800 кВт. Для автоматизации системы было принято решение использовать связку из 5 приборов КТР-121.
Состав промышленной автоматики
- КТР-121.24.01.10 – 3 шт.
- КТР -121.24.02.41 – 1 шт.
- КТР -121.24.03.20 – 1 шт.
- ПРМ-1 – 2 шт.
КТР-121.01.10 отвечает за управление и контроль параметров на каждом котле, КТР-121.02.41 объединяет котлы в каскад и поддерживает заданную температуру общего контура котлов, КТР-121.03.20 управляет контурами отопления и ГВС. Для управления подпиткой в контуре отопления к КТР-121.03.20 подключен модуль расширения ПРМ-1. Также ПРМ-1 используется совместно с КТР-121.02.41 для контроля общекотельных аварий.

Автоматика обеспечивает бесперебойную работу всего оборудования по температурному графику в зависимости от погодных условий. Котельная обеспечена системой диспетчеризацией, которая позволяет производить дистанционный контроль параметров и своевременно реагировать на внештатные ситуации с диспетчерского пункта.
Наша команда всегда готова помочь вам.
У нас есть ответы на все ваши вопросы и решения для ваших проблем. Свяжитесь с нами сегодня, и наша команда будет рада помочь.





